Abbildung ähnlich
VOSS Fluid GmbH

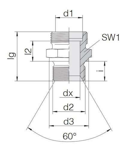
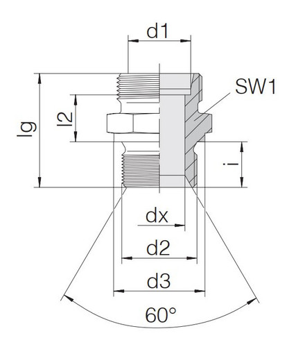
GE12LR1/4AX-CH60 - 0708162000 VO XGE 12-LR 1/4" "A" Innenkonus 60°

464651
auf Anfrage
je 100 St
keine Verfügbarkeitsinformationen

Verkaufsdaten

Mindestbestellmenge 1 St
Bestellschritt 1 St

Beschreibung

Merkmale

Druck PN 250 bar
d2 G 1/4 A
d3 18
dx 7
lg 31
l2 12
SW1 19
i (klein) 12 mm
d1 L 12