Anfrage läuft...
English version
  • Anmelden
  • Kernsortiment
  • Lagerartikel
  • Shop
      Zum Shop

      Schlauchtechnik

      Schlauch
      Armaturen
      Flansche
      Maschinen

      Verbindungstechnik

      Verschraubungen
      Kupplungen
      Kugelhähne
      Adapter

      Antriebstechnik

      Pumpen
      Zylinder
      Filter
      Drehmoment Schraubtechnik

      Sonstiges

      Manometer
      Pneumatik
      Seminare
      Chemische Produkte
  • Leistungen
    • Der Systempartner
    • Technischer Handel
    • Produktion
    • Dienstleistungen
  • Unternehmen
    • Unternehmensprofil
    • Standorte
    • Branchen
    • Partner werden
    • Umwelt & Gesellschaft
  • RAUH Insight
  • Karriere
  • Kataloge
  • Kontakt
Filter
Artikel
Auto |
  • Auto
  • Raster
  • Großes Raster
  • Liste
  • Tabelle
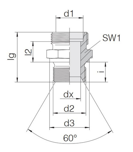
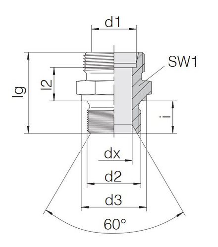
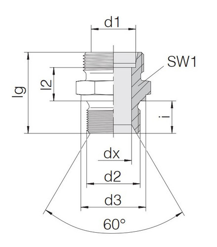
Variante: Gerade Einschraubstutzen, SR
Produktgruppe: Gerade Einschraubverschraubung, Whithworth (Zöllig) Zylindrisch
VOSS Fluid GmbH
VOSS Fluid GmbH
VOSS Fluid GmbH
Ihr Suchergebnis besteht aus diesen 15 Artikeln (kann ähnliche Treffer enthalten)…
Ihr Suchergebnis besteht aus diesen 15 Artikeln (kann ähnliche Treffer enthalten)…
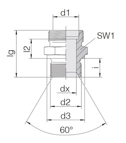
SW1
d1
d2
d3
dx
464664
464664
GE30SR11/4AX-CH60 - 0708902000 VO XGE 30-SR 1 1/4 " "A" Innenkonus 60°
50
S 30
G 1 1/4 A
49
25
465028
465028
GE12SR1/2AX-CH60 - 0708672000 VO XGE 12-SR 1/2" "A" Innenkonus 60°
27
S 12
G 1/2 A
26
8
465029
465029
GE20SR1/2AX-CH60 - 0708812000 VO XGE 20-SR 1/2" "A" Innenkonus 60°
32
S 20
G 1/2 A
26
12
465032
465032
GE06SR1/8AX-CH60 - 0708512000 VO XGE 06-SR 1/8" "A" Innenkonus 60°
17
S 6
G 1/8 A
14
4
465033
465033
GE10SR1/2AX-CH60 - 0708622000 VO XGE 10-SR 1/2" "A" Innenkonus 60°
27
S 10
G 1/2 A
26
7
465034
465034
GE12SR1/4AX-CH60 - 0708662000 VO XGE 12-SR ¼" "A" Innenkonus 60°
22
S 12
G 1/4 A
18
5
465035
465035
GE16SR3/4AX-CH60 - 0708772000 VO XGE 16-SR ¾" "A" Innenkonus 60°
32
S 16
G 3/4 A
32
12
465036
465036
GE16SR1AX-CH60 - 0708782000 VO XGE 16-SR 1" "A" Innenkonus 60°
41
S 16
G 1 A
39
12
465037
465037
GE20SR1AX-CH60 - 0708822000 VO XGE 20-SR 1" "A" Innenkonus 60°
41
S 20
G 1 A
39
16
465038
465038
GE25SR3/4AX-CH60 - 0708862000 VO XGE 25-SR ¾" "A" Innenkonus 60°
41
S 25
G 3/4 A
32
16
465041
465041
GE16SR1/2AX-CH60 - 0708752000 VO XGE 16-SR 1/2" "A" Innenkonus 60°
27
S 16
G 1/2 A
26
12
465042
465042
GE20SR3/4AX-CH60 - 0708802000 VO XGE 20-SR 3/4" "A" Innenkonus 60°
32
S 20
G 3/4 A
32
16
465047
465047
GE06SRAX-CH60 - 0708502000 VO XGE 06-SR 1/4" "A" Innenkonus 60°
19
S 6
G 1/4 A
18
4
465048
465048
GE12SRAX-CH60 - 0708652000 VO XGE 12-SR 3/8" "A" Innenkonus 60°
22
S 12
G 3/8 A
22
8
465049
465049
GE25SRAX-CH60 - 0708852000 VO XGE 25-SR 1" "A" Innenkonus 60°
41
S 25
G 1 A
39
20
464664
464664
GE30SR11/4AX-CH60 - 0708902000 VO XGE 30-SR 1 1/4 " "A" Innenkonus 60°
SW1:
50
d1:
S 30
d2:
G 1 1/4 A
d3:
49
dx:
25
465028
465028
GE12SR1/2AX-CH60 - 0708672000 VO XGE 12-SR 1/2" "A" Innenkonus 60°
SW1:
27
d1:
S 12
d2:
G 1/2 A
d3:
26
dx:
8
465029
465029
GE20SR1/2AX-CH60 - 0708812000 VO XGE 20-SR 1/2" "A" Innenkonus 60°
SW1:
32
d1:
S 20
d2:
G 1/2 A
d3:
26
dx:
12
465032
465032
GE06SR1/8AX-CH60 - 0708512000 VO XGE 06-SR 1/8" "A" Innenkonus 60°
SW1:
17
d1:
S 6
d2:
G 1/8 A
d3:
14
dx:
4
465033
465033
GE10SR1/2AX-CH60 - 0708622000 VO XGE 10-SR 1/2" "A" Innenkonus 60°
SW1:
27
d1:
S 10
d2:
G 1/2 A
d3:
26
dx:
7
465034
465034
GE12SR1/4AX-CH60 - 0708662000 VO XGE 12-SR ¼" "A" Innenkonus 60°
SW1:
22
d1:
S 12
d2:
G 1/4 A
d3:
18
dx:
5
465035
465035
GE16SR3/4AX-CH60 - 0708772000 VO XGE 16-SR ¾" "A" Innenkonus 60°
SW1:
32
d1:
S 16
d2:
G 3/4 A
d3:
32
dx:
12
465036
465036
GE16SR1AX-CH60 - 0708782000 VO XGE 16-SR 1" "A" Innenkonus 60°
SW1:
41
d1:
S 16
d2:
G 1 A
d3:
39
dx:
12
465037
465037
GE20SR1AX-CH60 - 0708822000 VO XGE 20-SR 1" "A" Innenkonus 60°
SW1:
41
d1:
S 20
d2:
G 1 A
d3:
39
dx:
16
465038
465038
GE25SR3/4AX-CH60 - 0708862000 VO XGE 25-SR ¾" "A" Innenkonus 60°
SW1:
41
d1:
S 25
d2:
G 3/4 A
d3:
32
dx:
16
465041
465041
GE16SR1/2AX-CH60 - 0708752000 VO XGE 16-SR 1/2" "A" Innenkonus 60°
SW1:
27
d1:
S 16
d2:
G 1/2 A
d3:
26
dx:
12
465042
465042
GE20SR3/4AX-CH60 - 0708802000 VO XGE 20-SR 3/4" "A" Innenkonus 60°
SW1:
32
d1:
S 20
d2:
G 3/4 A
d3:
32
dx:
16
465047
465047
GE06SRAX-CH60 - 0708502000 VO XGE 06-SR 1/4" "A" Innenkonus 60°
SW1:
19
d1:
S 6
d2:
G 1/4 A
d3:
18
dx:
4
465048
465048
GE12SRAX-CH60 - 0708652000 VO XGE 12-SR 3/8" "A" Innenkonus 60°
SW1:
22
d1:
S 12
d2:
G 3/8 A
d3:
22
dx:
8
465049
465049
GE25SRAX-CH60 - 0708852000 VO XGE 25-SR 1" "A" Innenkonus 60°
SW1:
41
d1:
S 25
d2:
G 1 A
d3:
39
dx:
20

Weitere Verkaufsdaten


RAUH Hydraulik

Der Systempartner

Explore

Über RAUH
Standorte
Karriere
Rauh Insight

Service

Kontakt
Kataloge
Versand
AGB | AEB

Webshop-Hilfe

+49 800 9663669

Teamviewer Support
webshop@rauh-hydraulik.de
Impressum | Datenschutz | AGB | AEB

English Version

Follow

Mobil-Version
powered by SellSite

Sind Sie sicher?

Drücken Sie 'Ja', um fortzufahren oder 'Abbrechen', um zurückzugehen.

Menge wählen

Artikelbild

Der Artikel konnte nicht gefunden werden.

Kein Barcode gefunden

placeholder

Shop-Login

Geben Sie hier Ihren Benutzernamen oder Ihre E-Mail-Adresse an, damit das System Ihr Passwort zurücksetzen kann. Sie bekommen das neue Passwort per E-Mail zugesendet.
Passwort vergessen
Jetzt Registrieren