Dieser Artikel ist der Nachfolgeartikel von Artikel:
Artikelnummer: 461356
Abbildung ähnlich
VOSS Fluid GmbH

VSTI3/4ED gewachst - 0189372100 VO VSTI G 3/4" ED gewachst

462883
auf Anfrage
je 100 St
keine Verfügbarkeitsinformationen

Verkaufsdaten

Mindestbestellmenge 1 St
Bestellschritt 1 St

Beschreibung

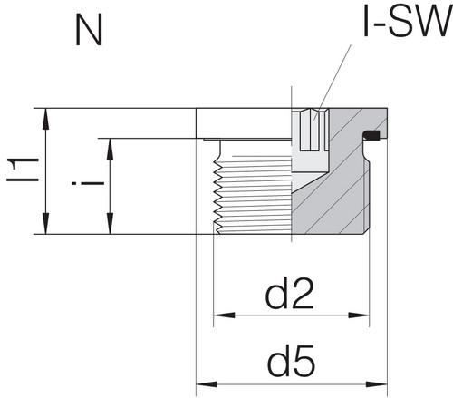
Merkmale

Druck PN 400 bar
Einschraubgewinde Art Whitworth zylindrisch
Einschraubgewinde 3/4"
Dichtungsart Elastomerer Dichtring
Suffix - Dichtungsmaterial NBR
Suffix - Beschichtung Zink Nickel transparent passiviert, versiegelt und gleitmittelbeschichtet
I-SW 12
i (klein) 16 mm
d5 32
d2 G 3/4 A
Gewicht pro Stück 0.075 kg
L1 21.3 mm